hollow shaft motors for high pressure pumps
Nicolini & C is specialized since many years in the construction of motors with hollow shaft for direct coupling of high-pressure water pumps.
With the solution “hollow shaft” dimensional spaces of the motor-pump group are reduced because the direct coupling allows the elimination of elastic coupling and pump’s flange required for the fixing of the standard-shaft motors.
The direct coupling of motor-pump represents a simple, economical and highly reliable solution because Nicolini & C is able to guarantee mechanical machinings of extreme precision. The accuracy of the coupling “motor-shaft / pump-shaft” allows the operation and the safe use of the group for long periods of time, without failures.
Nicolini & C was among the pioneers in its industry for the construction of motors with hollow shaft and, working with world leaders in pump industry, has gained vast experience in this field by developing product lines fitting all the pumps’ models and brands.
With the solution “hollow shaft” dimensional spaces of the motor-pump group are reduced because the direct coupling allows the elimination of elastic coupling and pump’s flange required for the fixing of the standard-shaft motors.
The direct coupling of motor-pump represents a simple, economical and highly reliable solution because Nicolini & C is able to guarantee mechanical machinings of extreme precision. The accuracy of the coupling “motor-shaft / pump-shaft” allows the operation and the safe use of the group for long periods of time, without failures.
Nicolini & C was among the pioneers in its industry for the construction of motors with hollow shaft and, working with world leaders in pump industry, has gained vast experience in this field by developing product lines fitting all the pumps’ models and brands.
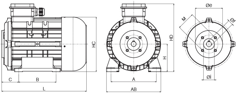
hollow shaft motor’s dimensions
| IEC | H | A | B | C | AB | HC | HD | L |
| 90S | 90 | 140 | 100 | 52 | 182 | 180 | 230 | 250 |
| 90L | 90 | 140 | 125 | 52 | 182 | 180 | 230 | 275 |
| 100 | 100 | 160 | 140 | 57 | 200 | 200 | 250 | 305 |
| 112 | 112 | 190 | 140 | 63 | 235 | 225 | 280 | 318 |
| 132S | 132 | 216 | 140 | 80 | 262 | 260 | 320 | 360 |
| 132M | 132 | 216 | 178 | 80 | 262 | 260 | 320 | 400 |
| 160M | 160 | 254 | 210 | 100 | 318 | 316 | 385 | 480 |
| 160L | 160 | 254 | 254 | 100 | 318 | 316 | 385 | 525 |
hollow shaft flanges’ measures
Per centraggio esterno
| Tipo FLANGIA | Ø foro albero | Øe centraggio esterno | Ø fori fissaggio | Adattabili a motori |
| e90 | 24 | 90 | 75 | IEC 90 / 100 / 112 |
| e110 | 28 | 110 | 87 | IEC 132 / 160 |
Per centraggio interno
| Tipo FLANGIA | Ø foro albero | Øi centraggio interno | Ø fori fissaggio | Adattabili a motori |
| i61 | 24 | 61 | 87 | IEC 90 / 100 / 112 / 132 / 160 |
| i60a | 18 | 60 | 76 | IEC 90 / 100 / 112 |
| i60b | 22 | 60 | 76 | IEC 90 / 100 / 112 / 132 / 160 |
| i60c | 25 | 60 | 89 | IEC 112 / 132 / 160 |
| i55 | 24 | 55 | 76 | IEC 112 |
