motori ad albero cavo per pompe ad alta pressione
Nicolini & C è da anni specializzata nella costruzione di motori ad albero cavo per l’accoppiamento diretto di pompe ad alta pressione.
Con la soluzione ad Albero Cavo gli spazi di ingombro del gruppo motore-pompa risultano ridotti in quanto l’accoppiamente diretto consente l’eliminazione del giunto elastico e della campana necessari per il fissaggio dei motori di tipo normalizzato.
L’accoppiamento diretto motore-pompa costituisce una soluzione semplice, economica ed altamente affidabile in quanto Nicolini & C è in grado di garantire lavorazioni meccaniche di estrema precisione. La precisione dell’accoppiamento “albero-motore / albero-pompa” consente il funzionamento e l’utilizzo in sicurezza del gruppo per lunghi periodi di tempo, senza rotture.
Nicolini & C è stata fra i pionieri del proprio settore nella costruzione di motori ad albero cavo e, collaborando con i più importanti leader mondiali dell’industria delle pompe, ha acquisito una vasta esperienza in questo settore sviluppando linee di prodotto adatte all’accoppiamento con tutte le marche e modelli presenti sul mercato internazionale.
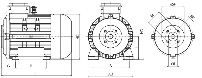
dimesioni esterne motore albero cavo
| IEC | H | A | B | C | AB | HC | HD | L |
| 90S | 90 | 140 | 100 | 52 | 182 | 180 | 230 | 250 |
| 90L | 90 | 140 | 125 | 52 | 182 | 180 | 230 | 275 |
| 100 | 100 | 160 | 140 | 57 | 200 | 200 | 250 | 305 |
| 112 | 112 | 190 | 140 | 63 | 235 | 225 | 280 | 318 |
| 132S | 132 | 216 | 140 | 80 | 262 | 260 | 320 | 360 |
| 132M | 132 | 216 | 178 | 80 | 262 | 260 | 320 | 400 |
| 160M | 160 | 254 | 210 | 100 | 318 | 316 | 385 | 480 |
| 160L | 160 | 254 | 254 | 100 | 318 | 316 | 385 | 525 |
dimesioni flange per accoppiamento pompa
| Tipo FLANGIA | Ø foro albero | Øe centraggio esterno | Ø fori fissaggio | Adattabili a motori |
| e90 | 24 | 90 | 75 | IEC 90 / 100 / 112 |
| e110 | 28 | 110 | 87 | IEC 132 / 160 |
Per centraggio interno
| Tipo FLANGIA | Ø foro albero | Øi centraggio interno | Ø fori fissaggio | Adattabili a motori |
| i61 | 24 | 61 | 87 | IEC 90 / 100 / 112 / 132 / 160 |
| i60a | 18 | 60 | 76 | IEC 90 / 100 / 112 |
| i60b | 22 | 60 | 76 | IEC 90 / 100 / 112 / 132 / 160 |
| i60c | 25 | 60 | 89 | IEC 112 / 132 / 160 |
| i55 | 24 | 55 | 76 | IEC 112 |
