hollow shaft motors for high pressure pumps

hollow shaft motors for high pressure pumps

Nicolini & C is specialized since many years in the construction of motors with hollow shaft for direct coupling of high-pressure water pumps.

With the solution “hollow shaft” dimensional spaces of the motor-pump group are reduced because the direct coupling allows the elimination of elastic coupling and pump’s flange required for the fixing of the standard-shaft motors.

The direct coupling of motor-pump represents a simple, economical and highly reliable solution because Nicolini & C is able to guarantee mechanical machinings of extreme precision. The accuracy of the coupling “motor-shaft / pump-shaft” allows the operation and the safe use of the group for long periods of time, without failures.

Nicolini & C was among the pioneers in its industry for the construction of motors with hollow shaft and, working with world leaders in pump industry, has gained vast experience in this field by developing product lines fitting all the pumps’ models and brands.

disegno

alberocavo.jpg Miniatura

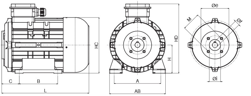
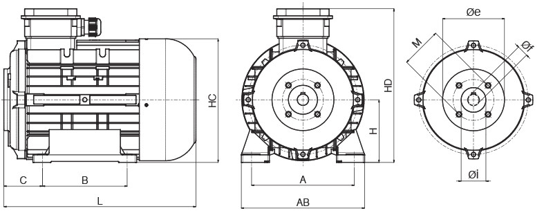
hollow shaft motor’s dimensions

hollow shaft motor’s dimensions

IEC H A B C AB HC HD L
                 
90S 90 140 100 52 182 180 230 250
90L 90 140 125 52 182 180  230 275
100 100  160  140  57  200  200  250  305 
112 112  190  140  63  235  225  280  318 
132S 132  216  140  80  262  260  320  360 
132M 132  216  178  80  262  260  320  400 
160M 160  254  210 100  318 316  385  480 
160L 160  254 254  100  318  316  385  525 

hollow shaft flanges’ measures

hollow shaft flanges’ measures

Per centraggio esterno
 
Tipo FLANGIA Ø foro albero Øe centraggio esterno Ø fori fissaggio Adattabili a motori
         
e90 24 90 75 IEC 90 / 100 / 112
e110 28 110 87 IEC 132 / 160

hollow shaft flanges’ measures


Per centraggio interno
 
Tipo FLANGIA Ø foro albero Øi centraggio interno Ø fori fissaggio Adattabili a motori
         
i61 24 61 87 IEC 90 / 100 / 112 / 132 / 160
i60a 18 60 76 IEC 90 / 100 / 112
i60b 22 60 76 IEC 90 / 100 / 112 / 132 / 160
i60c 25 60 89 IEC 112 / 132 / 160
i55 24 55 76 IEC 112

Company

Privacy Policy Cookie Policy

Newsletter

I agree to the processing of my data as described in the Privacy Policy
Nicolini & C. - via Bezzecchi, 1 - 42012 - Campagnola Emilia (R.E.) - tel: 0522 652848 - email: info@nicolinimotori.it - p.iva: 00162380356 - powered by easycolor